公司名稱:安徽涇縣揚子泵閥有限公司
生產地址:安徽省宣城市
價格:電議
運費:賣家承擔
聯系人:胡經理
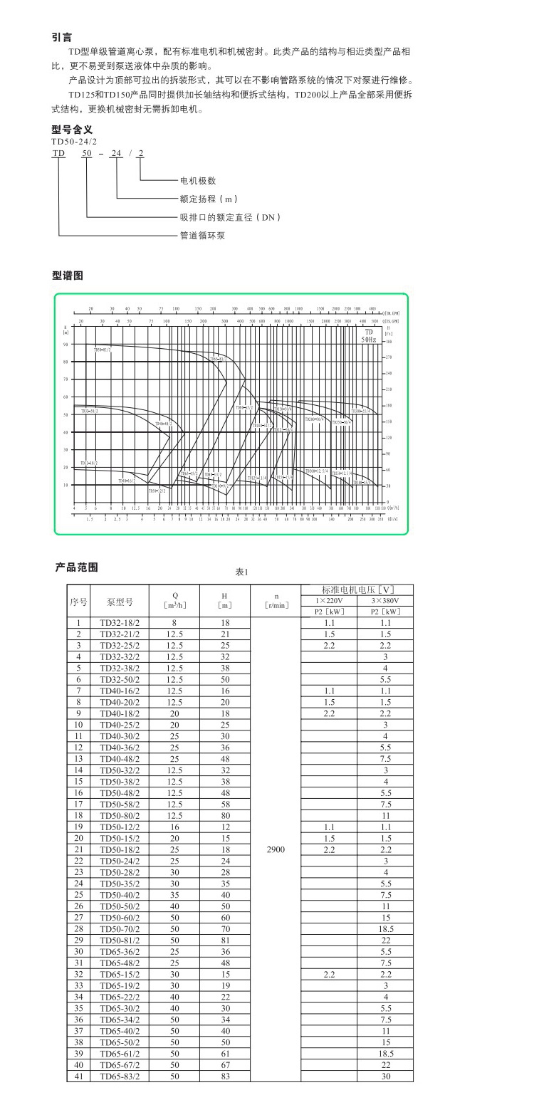
產品描述
TD型立式管道循環泵,該管道泵進出水口在泵底同一直線上,產品設計為頂部可拉出的拆裝形式,其可以在不影響管路系統的情況下對泵進行維修;運用范圍:主要用于工業方面,例如工業原料的輸送、加熱循環系統、系統增壓、生活熱水循環等領域;該立式管道泵適宜輸送清潔、稀薄、非易燃易爆液體、不含固體顆?;蚶w維,且介質不能對泵材料產生化學腐蝕;性能及優點:結構緊湊、維護方便、噪音低、可選配鑄鐵或不銹鋼葉輪。所有機械密封為便拆式,更換機械密封無需拆卸電機。














產品展示

